欢迎光临深圳市敬阳达科技有限公司官网!
散热订制热线:0755-29304644
首页
关于我们
公司简介
企业文化
资质证书
研发设备
研发团队
生产车间
产品中心
方形微型风扇
散热风扇
特殊风扇
微型鼓风机
新闻动态
服务支持
联系我们
十年专注散热风扇生产厂家
敬阳达科技
首页
》
微型鼓风机
》
1504微型鼓风机
微型风扇
散热风扇
特殊风扇
微型鼓风机
11
1504微型鼓风机
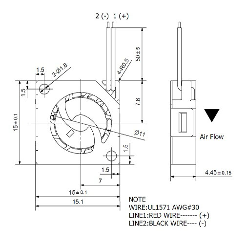
1.电压5V/3.3V
2.防护等级:1P52
3.线长50MM,无端 子
4.耐温环境:-10°c-70°c
5.预估寿命:20000小时
6.外壳:PBT塑胶料
7.阻燃特性等级:94-V0
价格:
0.00
市场价:
0.00
商品信息
商品描述
1.电压5V/3.3V
2.防护等级:1P52
3.线长50MM,无端 子
4.耐温环境:-10°c-70°c
5.预估寿命:20000小时
6.外壳:PBT塑胶料
7.阻燃特性等级:94-V0
上一个:
RFB1804微型风扇
下一个:
RFA1804微型风扇